Zum Hauptinhalt springen

Effizientes Kühlmodul für das AM 1000

Airmaster bringt jetzt das RC 1000 auf den Markt, ein Kühlmodul für das AM 1000. Mit dem RC 1000 ist es nun möglich, z.B. Klassenräume und Büros effizient zu kühlen.
Effizientes Kühlmodul für das AM 1000

Es gibt viele gute Gründe, das Raumklima in Schulen und Einrichtungen zu optimieren. Ein gutes und gesundes Raumklima fördert das Lernen, das Wohlbefinden und die Zufriedenheit von Kindern und Jugendlichen, die den größten Teil des Tages in Schulen und Einrichtungen verbringen.
Im Einklang mit der verstärkten Konzentration auf die oben genannten Aspekte und auch mit gesetzlichen Anforderungen wie CO2-Werten in Klassenzimmern und höherer Luftdichtheit in Gebäuden stellt dies hohe Anforderungen an die mechanische Lüftung, um eine gesunde Raumluftqualität zu gewährleisten.
Darüber hinaus besteht heute ein großer Bedarf an der Möglichkeit, die Temperatur in einem Raum abzukühlen, um eine angemessen komfortable Temperatur zu gewährleisten.
Mit einem AM 1000 von Airmaster können Sie jetzt beides haben: ein gesundes Raumklima mit unseren dezentralen Lüftungssystemen, kombiniert mit der Möglichkeit, die Raumtemperatur zu kühlen, damit Sie sich auch an heißen Tagen wohl fühlen.

Effiziente Kühlung - ohne Lärmbelästigung

Effiziente Kühlung - ohne Lärmbelästigung

Das RC 1000 ist ein Kühlmodul für das AM 1000, bei dem eine Kühlfläche mit gekühlter Flüssigkeit von einer externen Quelle versorgt wird.
Das RC 1000 hat eine Kühlleistung von bis zu 7 kW, was bedeutet, dass es in den meisten Räumen, in denen ein AM 1000 installiert ist, eine angenehme Raumtemperatur aufrechterhalten kann. Das Gerät wird an den üblichen Airmaster-Regler angeschlossen, mit dem Sie die gewünschte Standard-Zulufttemperatur und die maximal zulässige Innentemperatur einstellen können.
Das RC 1000 ist so konzipiert, dass der Druckverlust so gering ist, dass das AM 1000 weiterhin 950 m³/h bei 30 dB(A) liefert. Das bedeutet, dass der Geräuschpegel der Lüftungsanlage genau derselbe bleibt, den das AM 1000 bereits hat.

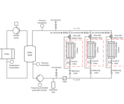
Schematische Darstellung

Schematische Darstellung

Das System kann individuell gestaltet werden, d.h. nur die Größe des Kühlgeräts bestimmt, wie viele Geräte angeschlossen werden können.
Hinweis: Die nachstehende Abbildung ist nur ein Beispiel und kann in der Praxis nicht verwendet werden. Das Beispiel zeigt ein System mit 3 AM 1000-Einheiten.

Variationen RC 1000

Produktkatalog 6.0

Melden Sie sich an! - Sie erhalten dann den neuesten Produktkatalog vonAirmaster.

Produktkatalog 6.0

Kontaktieren Sie den Vertriebssupport

Claus Pasgaard

Claus Pasgaard

Area Sales Manager

Department Export, Module

Kontaktieren Sie uns, wenn Sie mehr über dezentrale Lüftung erfahren möchten

Unser kompetentes Vertriebsteam beantwortet Ihre Fragen und berät Sie rund um Dimensionierung, Konfiguration, Standort und Projektierung – damit Sie das richtige Gerät für Ihren Bedarf finden.